河南羅茨風機廠家
瀏覽: 發布日期:2022-11-30
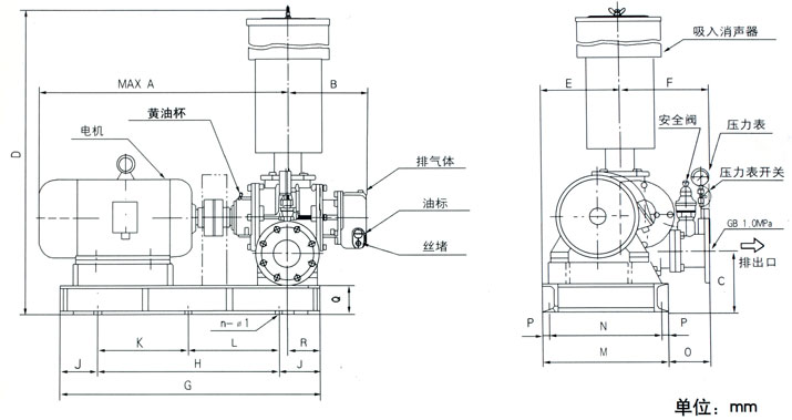
羅茨風機由機殼、墻板、葉輪、油箱、進出口消聲器等4大部分組成。
1、機殼:主要用來支撐墻板、葉輪、消聲器和固定的作用。
2、墻板:主要用來連接機殼與葉輪,并支撐葉輪的旋轉,以及起到端面密封的效果。
3、葉輪:是羅茨風機的旋轉部分,分兩葉和三葉,現在由于三葉的比兩葉的出氣脈動小、噪聲小,運轉平穩等很多優點,已逐漸代替兩葉羅茨風機。
4、油箱:油箱內部有包裹軸承、齒輪、潤滑油等。
5、消聲器:用減小羅茨風機的進、出由于氣流脈動產生的噪音。


相關新聞
- 2025-11-28185kw羅茨風機安裝注意事項
- 2025-11-24150型高壓水冷羅茨風機準備發貨河南
- 2025-11-14水冷式高壓羅茨風機廠家分享型號選型參數表
- 2025-11-13160kw羅茨鼓風機安裝注意事項
- 2025-11-10150型羅茨鼓風機廠家分享其工作原理及作用







